服务热线
产品时间:2021-07-08 14:33
简要描述:
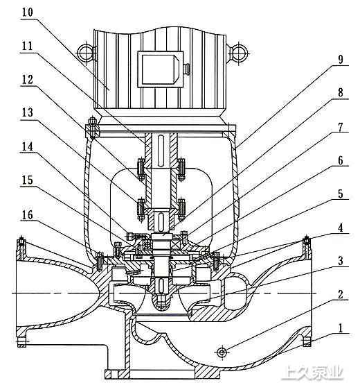
SGB型便拆式立式管道 离心泵 为ISG型泵的改型。该泵主要是在ISG泵的基础上增加了加长联轴器的结构,如此改进之后的优点是:1.电机为标准轴电机,配置一些客户特殊要求的电机时比较...
SGB型便拆式立式管道离心泵为ISG型泵的改型。该泵主要是在ISG泵的基础上增加了加长联轴器的结构,如此改进之后的优点是:1.电机为标准轴电机,配置一些客户特殊要求的电机时比较方便;2.因为加长联轴器的存在,更换泵内部配件的时候无需挪动电机,也无需拆卸泵体和管道,可以直接在线更换,故称为“便拆式”。
上一篇:QDLF型轻型不锈钢立式多级管道离心泵
下一篇:没有了
变频供水设备
无负压供水设备
消防水液压设备
消防水泵现场
Copyright © 泉州程阳政策咨询服务有限公司 版权所有
添加QQ客服:
扫一扫,关注我们